WPD9022はユーザーにより簡単に設定・変更が可能なマイクロプロセッサー制御のデジタルメーターリレーです。
電圧、電流、4線式Pt100測温抵抗体からの信号が直接入力出来ます。スケーリング、警報出力、入力等のパラメーターは全て前面パネルで変更可能です。
温度、湿度、圧力、速度、流量、レベル信号の表示、制御、警報出力用として、様々な機械、自動化システムに適しています。
品番 WPD9022
RS232C仕様
価格は下記を参照ください
![]()  | 
    ||||
●マルチ入力(電流、電圧、Pt100)
 ●HI出力、LO出力、アラーム出力を装備 ●外部供給電源付 +15VDC(max22mA) ●多機能ながらローコスト ●RS232C出力付 ●DIN96?×45?  | 
    
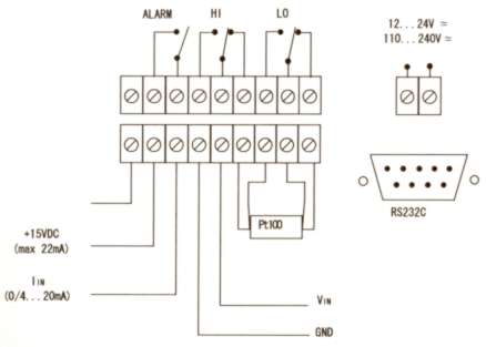
■端子接続図
![]()  | 
    
■仕様
| 設定値設定範囲 | -9999~+9999 | |
| 表示 | 7×1/2インチセグメント赤色LED | |
| 表示周期 | 1秒 | |
| 入力 | 電圧入力 -10~+10V 電流入力 0~24mA 及びPt100(-200~+800℃)  | 
    |
| 外部供給用電源 | -5VDC(max. 10mA) +15VDC(max. 22mA)  | 
    |
| 精度 | ±0.1% of rdg ±1digit | |
| A/D変換器分解能 | 0.1mV/digit、2μA/digit | |
| 機能 | HI出力(SP1、SP2):C接点リレー出力 LO出力(SP3、SP4):C接点リレー出力 アラーム出力(MAX、MIN):A接点リレー出力 接点容量 3A/220V 50Hz  | 
    |
| 使用温度 | 5~50℃ | |
| 供給用電源 | 90~240VAC 24VDC±10%(注文時要指定)  | 
    |
| 消費電力 | 5VA | |


